技術電話:17301986536加盟電話:13689528587

輪輻式傳感器MK101-L
產品特點:MK101-L內螺紋輪輻式測力傳感器可滿足不同精度要求,同時也可用作各種力量測量。
產品用途:MK101-L內螺紋輪輻式測力傳感器適用于各種料倉,自動化稱重和試驗機等力量測量。
量程:0.5kN(50kg)、1kN(100kg)、2kN(200kg)、5kN(500kg)、10kN(1t)、20 kN(2t)、50 kN(5t)、100 kN(10t)、200 kN(20t)、300 kN(30t)、500 kN(50t)、600kN(60t)、1000 kN(100t)、2000 kN(200t)、3000 kN(300t)、5000kN(500t)、10000kN(1000t)
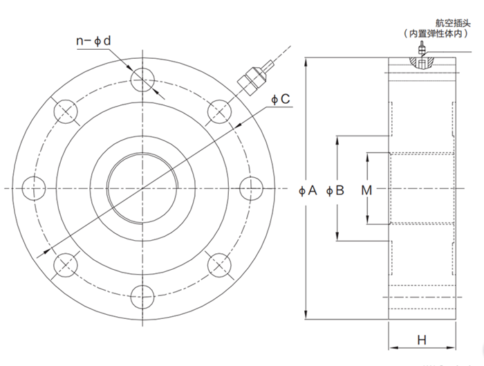
技術參數及外形尺寸:
序號 | 產品技術參數 | |
1 | 額定載荷 | 0.5kN-10000kN |
2 | 綜合精度 | 0.05%(600-5000kN:0.1%F.S) |
3 | 靈敏度 | 2.0±0.01mV/V |
4 | 蠕變 | ±0.05%F.S/20min |
5 | 零點輸出 | ±1%F.S |
6 | 輸入阻抗 | 387±20Ω |
7 | 輸出阻抗 | 350±5Ω |
8 | 絕緣阻抗 | ≥5000MΩ |
9 | 推薦激勵電壓 | 5-15V(DC) |
10 | 工作溫度范圍 | -20~70℃ |
11 | 安全過載 | 120%F.S |
12 | 材質 | 優質合金鋼 |
13 | 電纜 | 10m;20m |
14 | 接線方式 | 紅……E+(電源正) 黑……E-(電源負) 綠……S+(信號正) 白……S-(信號負) |

型號 | 量程(kN) | 量程(t) | M | A | B | C | H | n-фd |
MK101-L
| 0.5-5 | 0.05-0.5 | M16×1.5 | 90 | 25 | 75 | 25 | 4-ф7 |
10 | 1 | M20×2 | 112 | 35 | 96 | 30 | 8-ф9 | |
20 | 2 | M24×2 | 125 | 44 | 105 | 42 | 8-ф11 | |
50-100 | 5-10 | M30×2 | 150 | 48 | 122 | 45 | 8-ф11 | |
200-300 | 20-30 | M42×3 | 180 | 70 | 142 | 53 | 16-ф13.5 | |
500-600 | 50-60 | M64×3 | 234 | 97 | 194 | 60 | 16-ф21.5 | |
1000 | 100 | M96×4 | 320 | 162 | 270 | 100 | 16-ф26 | |
2000-3000 | 200-300 | M120×4 | 360 | 200 | 310 | 126 | 16-ф32.5 | |
5000 | 500 | M200×4 | 500 | 310 | 420 | 160 | 28-ф27 | |
MK101-LD | 10000 | 1000 | M200×6 | 608 | -- | 510 | 161 | 12-ф58 |
密克傳感器(深圳)有限公司是傳感器源頭生產廠家,致力于測力傳感器的研發生產。產品達百余種,廣泛應用于各種工業自動化、機器人、化工、食品、冶金以及醫療等新型和智能化高端領域。按結構分有輪輻式傳感器,S型傳感器,波紋管傳感器,法蘭盤傳感器,柱式傳感器,扭矩傳感器,平行梁傳感器,拉力傳感器等等,按功能應用場景分有試驗機專用傳感器,攪拌站傳感器,稱重傳感器,包裝機傳感器,壓裝機傳感器,價格美麗,可定制。
密克斯生產的MK101-L內螺紋輪輻式測力傳感器適用于汽車衡、試驗機和大型料斗秤等等。
