技術電話:17301986536加盟電話:13689528587

S型傳感器MK202
產品特點:MK202 S型拉壓傳感器具有精度高,雙向承載,安裝方便 等特點。
產品用途:MK202 S型拉壓傳感器適用于配料秤、吊鉤秤、機電結合秤,包裝秤,材料力學試驗機等設備力值的測量與控制。
量程:MK202:5kN(500kg)、10kN(1t),15kN(1.5t)、20kN(2t)
MK202-T :10kN(1t),20kN(2t)
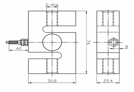
技術參數及外形尺寸:
序號 | 產品技術參數 | |
1 | 額定載荷 | 5kN-20kN |
2 | 綜合精度 | 0.05%F.S |
3 | 靈敏度 | 2.0mV/V±0.001 |
4 | 零點平衡 | ±1%F.S |
5 | 輸入阻抗 | 380±10Ω |
6 | 輸出阻抗 | 350±3Ω |
7 | 絕緣阻抗 | ≥5000MΩ |
8 | 補償溫度范圍 | -10~40℃ |
9 | 適用溫度范圍 | -30~65℃ |
10 | 安全過載 | 120%F.S |
11 | 材質 | 40CrNiMoA/42CrMo |
12 | 激勵電壓 | 10V(DC) |
13 | 密封等級 | IP65/IP67 |
14 | 電纜 | 4m |
15 | 接線方式 | 紅……E+(輸入正) 黑……E-(輸入負) 綠……S+(輸出正) 白……S-(輸出負) |

MK202:M16×2
MK202-T:M16×1.5
密克傳感器(深圳)有限公司是傳感器源頭生產廠家,致力于測力傳感器的研發生產。產品達百余種,廣泛應用于各種工業自動化、機器人、化工、食品、冶金以及醫療等新型和智能化高端領域。按結構分有輪輻式傳感器,S型傳感器,波紋管傳感器,法蘭盤傳感器,柱式傳感器,扭矩傳感器,平行梁傳感器,拉力傳感器等等,按功能應用場景分有試驗機專用傳感器,攪拌站傳感器,稱重傳感器,包裝機傳感器,壓裝機傳感器,價格美麗,可定制。
密克斯生產的MK202 S型拉壓傳感器適用于配料秤、吊鉤秤、機電結合秤,包裝秤,材料力學試驗機等設備力值的測量與控制。
