技術電話:17301986536加盟電話:13689528587

多維力傳感器-MK1602
多維力傳感器是一種能夠同時測量多個方向力和力矩的傳感器,其工作原理基于電阻應變式原理,通過彈性元件和電阻應變片將機械應變轉換為電信號,實現多維度力的測量。這種傳感器具有高精度、高靈敏度和低維間耦合的特點,能夠滿足復雜環境下的測量需求。
下面是密克生產的多維力傳感器-MK1602的參數:


| 材質 Material | 鋁合金 Aluminum alloy | 不銹鋼 Stainless steel | |
| 量程(F.S) Capacity | Fx | Fy | Fz |
| 50N | 50N | 50N | |
| 輸出靈敏度 Rated output | 0.7-1.5mV/V | 重復性 Repeatability | < 0.05% F.S. |
| 工作溫度范圍 Operating temp range | -20~80°C | 長期串擾誤差 Long-term crosstalk erro! | ≤3%F.S. |
| 非線性 Nonlinearity | <0.5%F.S. | 絕緣電阻 insulation | ≥2000MΩ/50VDC |
| 零點輸出 Zero balance | ± 5% F.S. | 安全超載 Safe load limit | 300%F.S. |
| 溫度補償范圍 Compensated temp range | -10~40°C | 零點溫度漂移 Temp effect on zero | ≤0.1%F.S./10°C |
| 推薦激勵電壓 Recommended excitation | 5-10VDC | 防護等級 Protection class | IP65 |
| 溫度靈敏度漂移 Temp effect on output | ≤0.1%F.S./10°C | ||
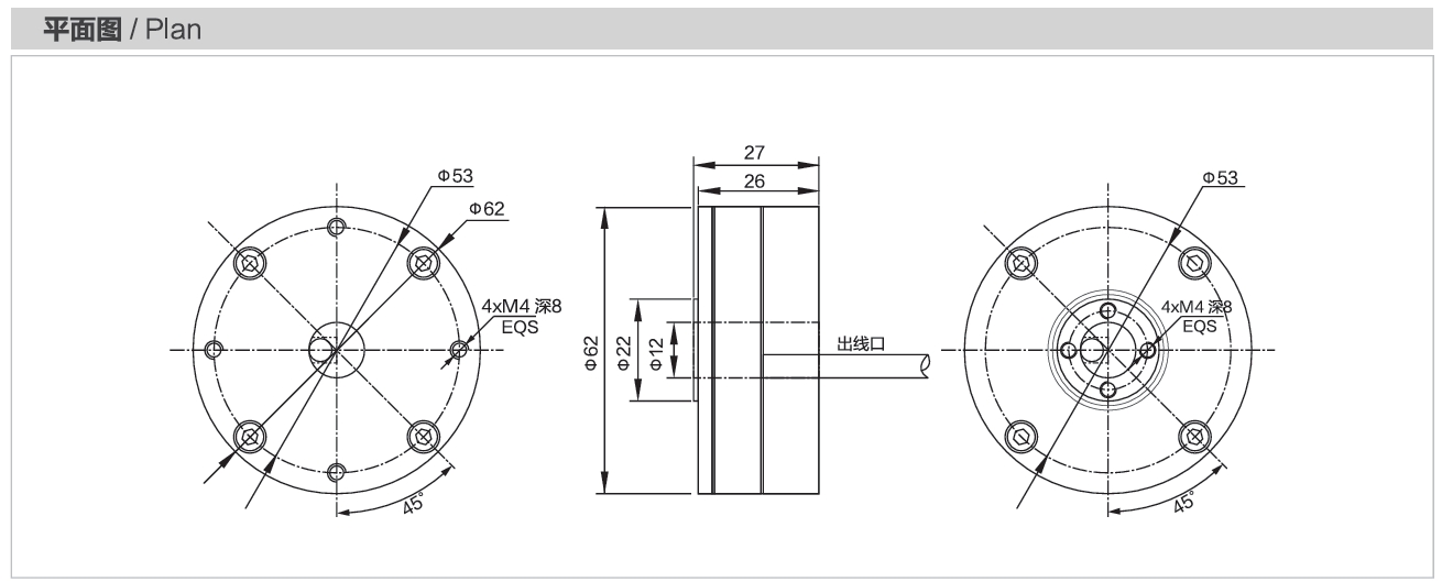
| 電纜線尺寸 Cable size | 04.5x0.5m+04.5x2.5m+14PIN插頭 | ||
| Pin針定義 Pin assiqment | PIN 1 | Exc+紅 Red | |
| PIN 2 | Exc-黑 Black | ||
| PIN 3 | Fx+黃 Yellow | ||
| PIN 4 | Fx-黑 Black | ||
| PIN 5 | Fy+藍 Blue | ||
| PIN 6 | Fy-黑 Black | ||
| PIN 7 | Fz+自 White | ||
| PIN 8 | Fz-黑 Black | ||
| PIN 9 | Mx+黃 Yellow | ||
| PIN 10 | Mx-棕 Brown | ||
| PIN 11 | My+藍 Blue | ||
| PIN 12 | My-棕 Brown | ||
| PIN 13 | Mz+自 White | ||
| PIN 14 | Mz-棕 Brown |
應用領域
多維力傳感器在多個領域發揮著重要作用。在機器人領域,它被廣泛應用于工業機器人、人形機器人和醫療機器人中,用于力控打磨、精密裝配、抓取控制和手術輔助等場景。例如,在汽車制造中,多維力傳感器可用于碰撞測試和零部件強度檢測。在航空航天領域,它用于測試飛行器結構件的力學性能。
在醫療康復領域,多維力傳感器可用于假肢控制、康復訓練和手術機器人的觸覺反饋。例如,通過感知地面反作用力,假肢可以自動調整步態,提高使用者的舒適度。此外,它還在生物力學研究中用于測量人體運動參數,為運動損傷研究提供數據支持。
技術發展
隨著技術的進步,多維力傳感器正朝著智能化、微型化和多功能化的方向發展。MEMS技術的應用使其在微型化和集成化方面取得顯著進展,能夠滿足人形機器人等對空間要求較高的應用場景。同時,通過集成物聯網技術和大數據分析,傳感器的智能化水平不斷提升。
未來展望
未來,多維力傳感器將在更多領域發揮關鍵作用。隨著機器人技術的快速發展,其市場需求將持續增長。同時,隨著技術的不斷優化,多維力傳感器將具備更高的精度和更低的成本,進一步推動其產業化進程。
總之,多維力傳感器憑借其多維度的測量能力和技術優勢,已成為現代工業和醫療領域不可或缺的工具,未來的發展前景廣闊。
